Коллаборативный робот (кобот) ELITE ROBOTS CS530H
- Бренд
- ELITE ROBOTS
- Тип робота
- Коллаборативный
- Страна производства
- Китай
- Серия
- ELITE ROBOTS CS
Поставщики и интеграторы ELITE ROBOTS
Готовые ячейки с этим роботом
Отрасли применения
Назначение
CS530H готов решить все задачи по укладке грузов на поддоны. Самый мощный кобот Elite Robots с особой архитектурой, идеально подходящий для решений по укладке паллет серии CP. Обеспечивает расширение возможностей конечных операций и ускоренную окупаемость инвестиций.
Способность поднимать грузы до 30 кг делает CS530H оптимальным решением для тяжелых операций паллетирования. Большая высота штабелирования до 2300 мм позволяет максимально эффективно использовать складское пространство и формировать высокие паллеты.
Специальная архитектура робота разработана для решений серии CP по укладке паллет. Высокая грузоподъемность и большой радиус действия обеспечивают эффективную автоматизацию процессов укладки, снижая нагрузку на персонал и повышая производительность.
CS530H обеспечивает быструю окупаемость инвестиций благодаря высокой производительности и надежности. Автоматизация процессов паллетирования снижает операционные расходы и повышает эффективность конечных операций на производстве.
Система управления (Контроллер) и пульт
Стандартный контроллер ELITE ROBOTS
Стандартный контроллер переменного тока с габаритами 505 x 462 x 257 мм весом 14 кг для управления всеми операциями кобота поставляется в комплекте. Подробнее
OEM контроллер ELITE ROBOTS
Опционально
Подробнее
Статьи по теме
Ручная укладка продукции на поддоны является одним из наименее эффективных участков на многих произв...
Представляем финансовый анализ проекта по роботизации участка паллетирования. Читайте в нашем новом ...
Интеграторы и поставщики ELITE ROBOTS
Заинтересованы решением? Эти компании работают с данным типом оборудования и могут помочь с подбором, поставкой и внедрением роботизированного решения. Выберите интегратора и отправьте ему бесплатно запрос.
Не уверены, кому отправить запрос?
Выберите несколько компаний — вы сможете сравнить предложенные решения, ответы и выбрать подходящий вариант.
Команда RoboB2B также видит все обращения: если выбранный интегратор не выходит на связь в течение 3 рабочих дней — мы предложим передать запрос другим подходящим интеграторам.
Необязательно разбираться в роботах или знать конкретную модель. Важно кратко описать саму задачу. Попробуйте ответить на несколько вопросов:
- Что именно нужно автоматизировать? — процесс/операция
- Какие объёмы и режим работы? — смены, часы, количество изделий/коробок/м² и т.п.
- Какие есть особенности объекта? — мало места, пыль, влажность, требования по безопасности, тип покрытия и т.д.
- Какого результата Вы ждёте? — перераспределить людей, увеличить выпуск, улучшить качество, снизить издержки
Чем конкретнее будет описание, тем легче интегратору понять проект, быстрее ответить и дать более точное первичное предложение внедрения решения. Запросы без описания тоже обрабатываются, но почти всегда требуют дополнительных уточняющих вопросов и имеют меньший приоритет.
Для заказчиков сервис RoboB2B бесплатен. Мы не берём с заказчиков никаких комиссий за работу через платформу.
Да, можно. Многие заказчики сначала хотят понять, какой бюджет может потребоваться для реализации проекта. Важно указать какой бюджет проекта уже согласован.
Но даже для ориентировочной оценки нужно краткое описание решения: какой процесс Вы хотите автоматизировать, какие объёмы и условия работы. Запросы вида «Сколько стоит данный робот» без описания задачи обычно остаются без ответа или требуют дополнительных уточняющих вопросов — интегратор физически не может посчитать стоимость внедрения «в общем».
Если Вы кратко опишете задачу, интегратору будет проще проконсультировать Вас и назвать ориентировочный диапазон стоимости проекта.
С похожими характеристиками
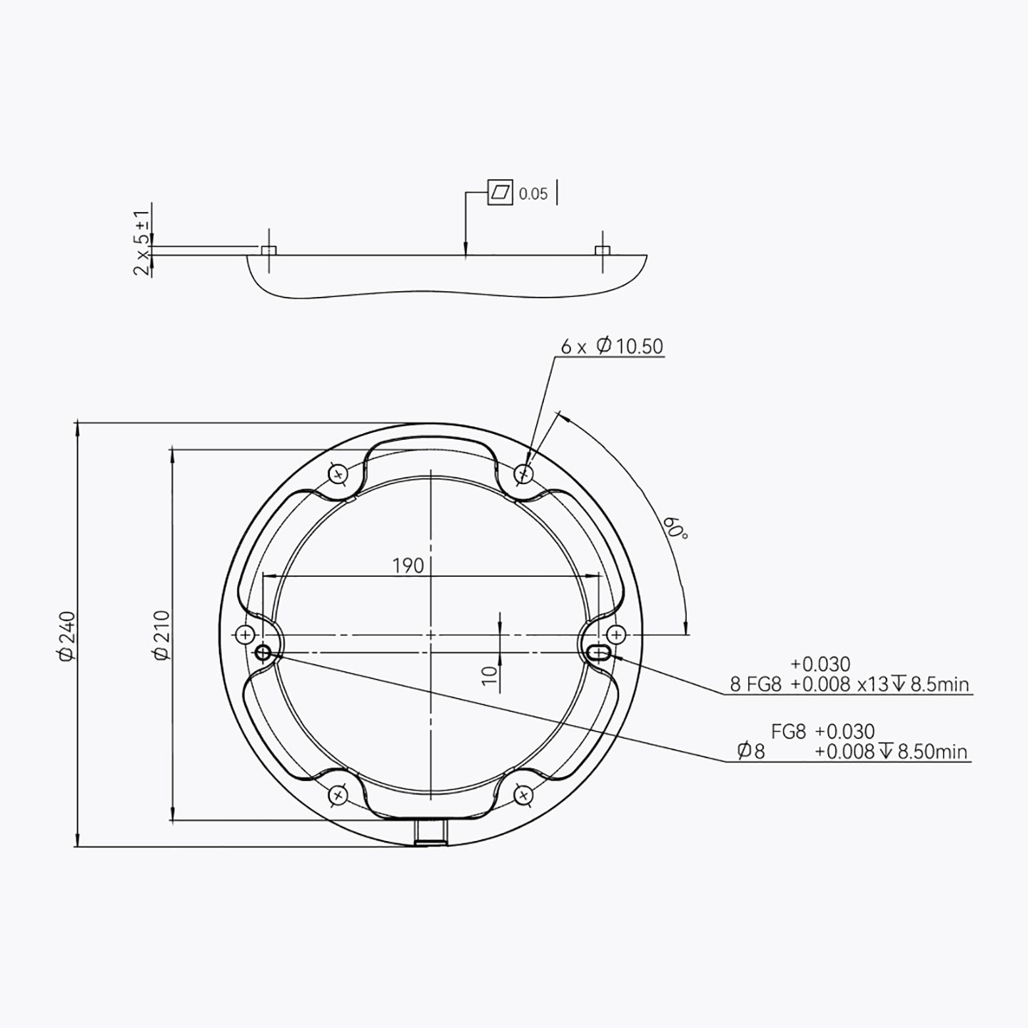
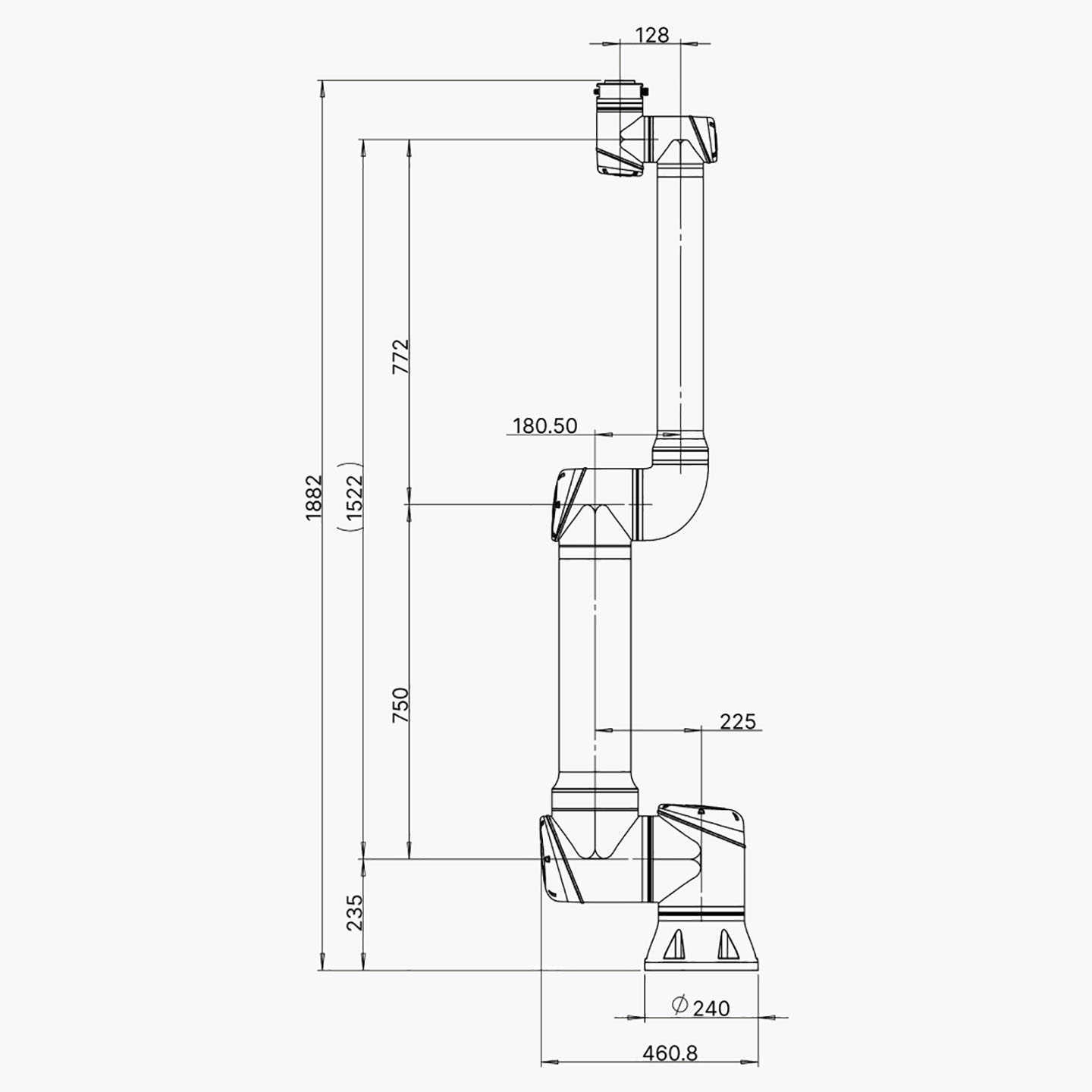
Характеристики
| Бренд | ELITE ROBOTS |
| Тип робота | Коллаборативный |
| Страна производства | Китай |
| Серия | ELITE ROBOTS CS |
| Монтажное положение | на стойке (пьедестал) |
| Цвет | Серый |
| Основные характеристики | |
|---|---|
| Вес, кг | 58 |
| Грузоподъёмность, кг | 30 |
| Количество осей (cуставов) | 5 |
| Досягаемость (радиус действия), мм | 1522 |
| Повторяемость, ±мм | 0,1 |
| Скорость | |
| Момент | 4 м/сек |
| Питание | |
| Подключение, В | 220 |
| Потребляемая мощность, кВт | 0,4 |
| Управление | |
| Тип управления | Пульт |
| Контроллеры, пульты управления и опции | Стандартный контроллер ELITE ROBOTS, OEM контроллер ELITE ROBOTS |
| Программирование | |
| Открытое API | Да |
| Требования к условиям | |
| Рабочая температура, °C | -10 - +50 |
| Влажность воздуха, % | 90 |
| Тип защиты IP | IP65, IP68 |
| Симуляция | |
| Система симуляции | Встроенный симулятор |
Обсуждения
- Комментарии
Доставка
Доставка оборудования осуществляется напрямую производителем, официальным дистрибьютором или системным интегратором, который будет готовить для вас коммерческое предложение.
Это гарантирует, что вы получаете официальное оборудование с полной гарантией, профессиональной пусконаладкой и сервисной поддержкой.
Оплата
Платформа RoboB2B не является посредником в финансовых расчетах. Это обеспечивает вам максимальную прозрачность сделки и гарантирует отсутствие каких-либо скрытых комиссий или наценок с нашей стороны.
Для юридических лиц, как правило, доступен безналичный расчет. Возможность лизинга, рассрочки или использования других финансовых инструментов вы сможете обсудить индивидуально напрямую с поставщиком.
Господдержка и субсидии
Вся информация о товарах, представленная на данной странице, предоставлена производителями и/или поставщиками оборудования, и/или взята из открытых источников. Все логотипы, бренды и изображения принадлежат их владельцам. Администрация портала RoboB2B не несет ответственности за достоверность, полноту и актуальность размещённых данных, а также за возможные последствия, связанные с использованием данной информации.
показать полностью
Портал RoboB2B не является производителем или поставщиком представленного оборудования, не осуществляет контроль за качеством, комплектностью, сроками поставки и иными условиями реализации товаров и услуг, а также не участвует в переговорах и заключении сделок между пользователями платформы.
Перед принятием решения о покупке или сотрудничестве рекомендуем самостоятельно уточнять все детали у производителя или поставщика, а также проверять соответствие оборудования вашим требованиям и действующему законодательству.
