Промышленный робот Fanuc R-2000iC/125L
- Бренд
- Fanuc
- Тип робота
- Шарнирный
- Страна производства
- Япония
- Серия
- Fanuc R-2000
Поставщики и интеграторы Fanuc
Отрасли применения
Назначение
Система машинного зрения FANUC iRVision
Опционально
FANUC iRVision — это полностью интегрированная система машинного зрения, которая позволяет роботам видеть, распознавать и обрабатывать объекты с высокой точностью. Решения iRVision охватывают весь спектр задач: от простого позиционирования деталей до сложных 3D-приложений, таких как bin picking, инс… Подробнее
Система управления (Контроллер) и пульт
Контроллер Fanuc R-30𝑖B Plus
Контроллер R-30𝑖B Plus — это высокопроизводительный контроллер, разработанный для повышения эффективности производства. Он создан для того, чтобы упростить использование роботов и средств автоматизации в обрабатывающей промышленности. Благодаря нескольким встроенным аппаратным средствам и более чем … Подробнее
Пульт управления Fanuc iPendant Touch
iPendant Touch — это современное устройство управления промышленными роботами FANUC, отличающееся лёгким корпусом, эргономичным дизайном и интуитивно понятным интерфейсом iHMI. Оно значительно упрощает программирование и обслуживание роботов, делая эти процессы доступными как для опытных инженеров, … Подробнее
Пульт обучения Fanuc Tablet Teach Pendant
FANUC Tablet Teach Pendant — это современное устройство для быстрого и удобного программирования промышленных роботов FANUC. Лёгкий и эргономичный планшет с сенсорным экраном сочетает в себе интуитивно понятный интерфейс и функциональность, аналогичную решениям для коллаборативных роботов серии CRX.… Подробнее
Пульт обучения Fanuc Lightweight Teach Pendant
Опционально
Lightweight Teach Pendant — это самый лёгкий пульт программирования в своём классе, весом всего 750 г. Благодаря современному эргономичному дизайну он удобно лежит в руке и не вызывает усталости даже при длительном использовании. Компактные размеры сочетаются с большим, легко читаемым экраном и высо…
Подробнее
Интеграторы и поставщики Fanuc
Заинтересованы решением? Эти компании работают с данным типом оборудования и могут помочь с подбором, поставкой и внедрением роботизированного решения. Выберите интегратора и отправьте ему бесплатно запрос.
Не уверены, кому отправить запрос?
Выберите несколько компаний — вы сможете сравнить предложенные решения, ответы и выбрать подходящий вариант.
Команда RoboB2B также видит все обращения: если выбранный интегратор не выходит на связь в течение 3 рабочих дней — мы предложим передать запрос другим подходящим интеграторам.
Необязательно разбираться в роботах или знать конкретную модель. Важно кратко описать саму задачу. Попробуйте ответить на несколько вопросов:
- Что именно нужно автоматизировать? — процесс/операция
- Какие объёмы и режим работы? — смены, часы, количество изделий/коробок/м² и т.п.
- Какие есть особенности объекта? — мало места, пыль, влажность, требования по безопасности, тип покрытия и т.д.
- Какого результата Вы ждёте? — перераспределить людей, увеличить выпуск, улучшить качество, снизить издержки
Чем конкретнее будет описание, тем легче интегратору понять проект, быстрее ответить и дать более точное первичное предложение внедрения решения. Запросы без описания тоже обрабатываются, но почти всегда требуют дополнительных уточняющих вопросов и имеют меньший приоритет.
Для заказчиков сервис RoboB2B бесплатен. Мы не берём с заказчиков никаких комиссий за работу через платформу.
Да, можно. Многие заказчики сначала хотят понять, какой бюджет может потребоваться для реализации проекта. Важно указать какой бюджет проекта уже согласован.
Но даже для ориентировочной оценки нужно краткое описание решения: какой процесс Вы хотите автоматизировать, какие объёмы и условия работы. Запросы вида «Сколько стоит данный робот» без описания задачи обычно остаются без ответа или требуют дополнительных уточняющих вопросов — интегратор физически не может посчитать стоимость внедрения «в общем».
Если Вы кратко опишете задачу, интегратору будет проще проконсультировать Вас и назвать ориентировочный диапазон стоимости проекта.
Статьи по теме
Сложность программирования — один из барьеров для роботизации сварки в условиях мелкосерийного и еди...
Ручная укладка продукции на поддоны является одним из наименее эффективных участков на многих произв...
Дефицит квалифицированных сварщиков стал большой проблемой для российских производств. Решение есть ...
Представляем финансовый анализ проекта по роботизации участка паллетирования. Читайте в нашем новом ...
Как чистые инвестиции в 6 млн рублей окупаются за 11 месяцев и обеспечивают ROI в 224% за тр...
С похожими характеристиками
О серии Fanuc R-2000
Откройте новые возможности промышленной автоматизации с серией FANUC R-2000. Эти инновационные роботы позволяют с легкостью справляться с самыми сложными задачами, требующими высокой грузоподъемности и точности. Универсальные роботы для тяжелых нагрузок Серия R-2000 — самая популярная линейка роботов FANUC в мире. Благодаря высокой производительности и грузоподъемности до 270 кг, эти роботы идеально подходят для широкого спектра задач, связанных с перемещением тяжелых грузов. Компактная конс... Подробнее
Характеристики
| Бренд | Fanuc |
| Тип робота | Шарнирный |
| Страна производства | Япония |
| Серия | Fanuc R-2000 |
| Монтажное положение | на полу, на стене, на потолке |
| Цвет | Желтый |
| Основные характеристики | |
|---|---|
| Вес, кг | 1115 |
| Грузоподъёмность, кг | 125 |
| Количество осей (cуставов) | 6 |
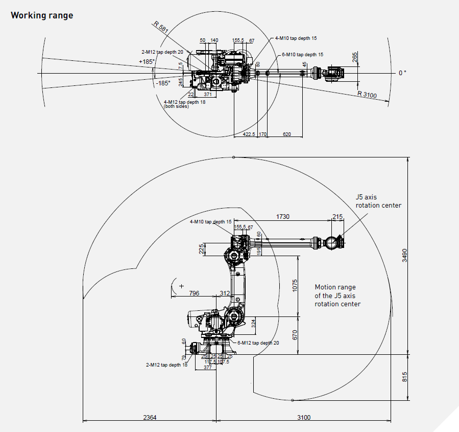
| Досягаемость (радиус действия), мм | 3150 |
| Повторяемость, ±мм | 0,05 |
| Диапазон перемещения, град. | ось 1 – 370, ось 2 – 136, ось 3 – 312, ось 4 – 720, ось 5 – 250, ось 6 – 720 (град) |
| Скорость | |
| Максимальная скорость, град. / сек. | ось 1 – 130, ось 2 – 115, ось 3 – 125, ось 4 – 180, ось 5 – 180, ось 6 – 260 (град / сек) |
| Момент | ось 4 - 710/72, ось 5 - 710/72, ось 6 - 355/40 (Нм / кгм кв) |
| Питание | |
| Подключение, В | 380-575 |
| Потребляемая мощность, кВт | 2.5 |
| Опции | |
| Дополнительные опции | Система машинного зрения FANUC iRVision |
| Управление | |
| Тип управления | Пульт |
| Контроллеры, пульты управления и опции | Контроллер Fanuc R-30𝑖B Plus, Пульт обучения Fanuc Lightweight Teach Pendant, Пульт обучения Fanuc Tablet Teach Pendant, Пульт управления Fanuc iPendant Touch |
| Требования к условиям | |
| Рабочая температура, °C | 0 – +45 |
| Тип защиты IP | Корпус: IP54 (IP56 опционально), Запястье/рука: IP67 |
| Симуляция | |
| Система симуляции | RoboDK |
Обсуждения
- Комментарии
Доставка
Доставка оборудования осуществляется напрямую производителем, официальным дистрибьютором или системным интегратором, который будет готовить для вас коммерческое предложение.
Это гарантирует, что вы получаете официальное оборудование с полной гарантией, профессиональной пусконаладкой и сервисной поддержкой.
Оплата
Платформа RoboB2B не является посредником в финансовых расчетах. Это обеспечивает вам максимальную прозрачность сделки и гарантирует отсутствие каких-либо скрытых комиссий или наценок с нашей стороны.
Для юридических лиц, как правило, доступен безналичный расчет. Возможность лизинга, рассрочки или использования других финансовых инструментов вы сможете обсудить индивидуально напрямую с поставщиком.
Господдержка и субсидии
Вся информация о товарах, представленная на данной странице, предоставлена производителями и/или поставщиками оборудования, и/или взята из открытых источников. Все логотипы, бренды и изображения принадлежат их владельцам. Администрация портала RoboB2B не несет ответственности за достоверность, полноту и актуальность размещённых данных, а также за возможные последствия, связанные с использованием данной информации.
показать полностью
Портал RoboB2B не является производителем или поставщиком представленного оборудования, не осуществляет контроль за качеством, комплектностью, сроками поставки и иными условиями реализации товаров и услуг, а также не участвует в переговорах и заключении сделок между пользователями платформы.
Перед принятием решения о покупке или сотрудничестве рекомендуем самостоятельно уточнять все детали у производителя или поставщика, а также проверять соответствие оборудования вашим требованиям и действующему законодательству.
